+7(495) 150-05-66 Телефон в Москве
+7(800) 500-56-65 Телефон в регионе
+7(423) 279-55-30 Телефон во Владивостоке

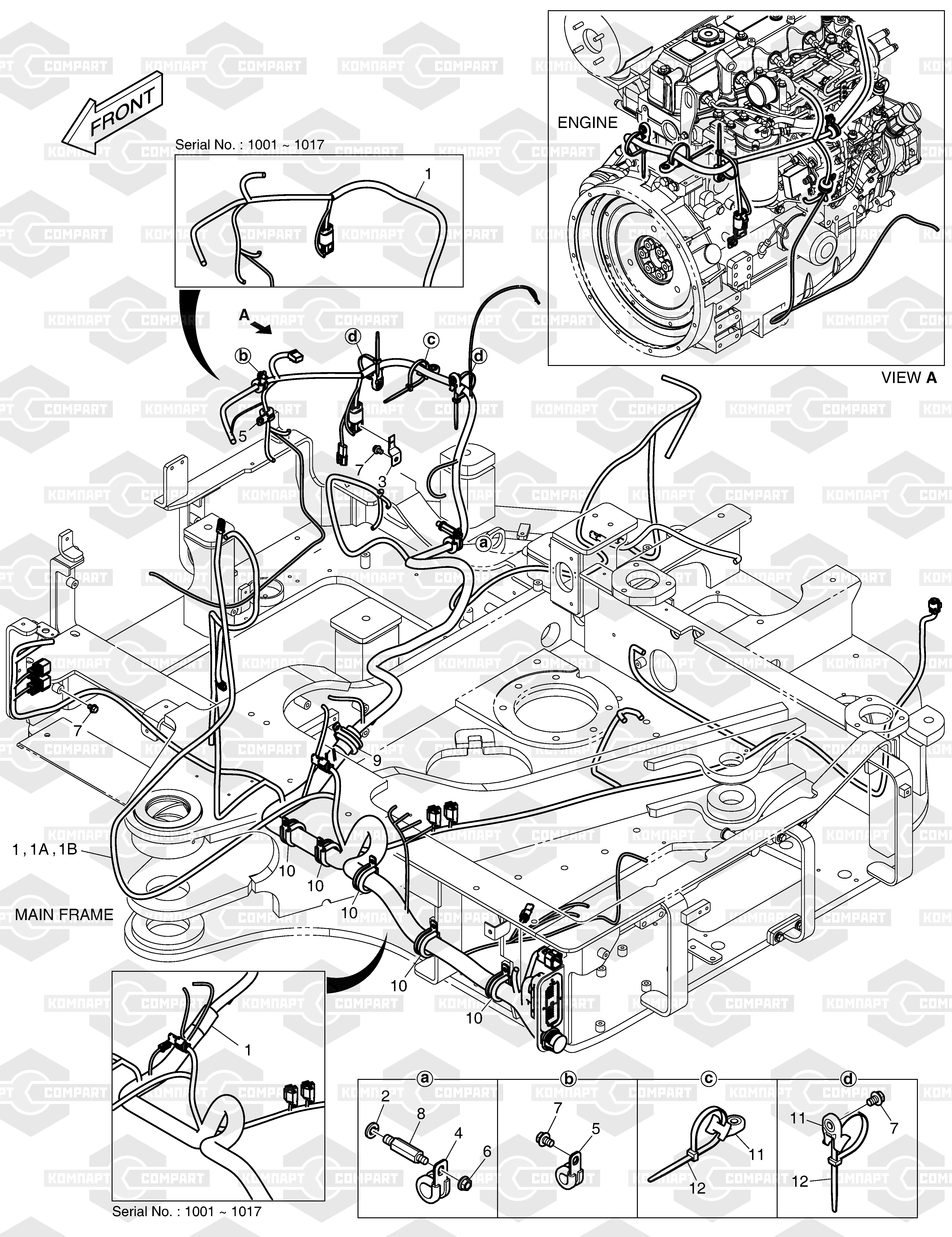
ТРОЙНИК

Под заказ
Исполнение: Genuine
Цена: уточнить
Производитель
HD Hyundai Infracore (Ю Корея)
Тип
Номер
310101-00035
Англ. наим.
TIE,CABLE
Вес
6 г
Применяемость
ONLINE КАТАЛОГ
Описание
Применяемость
array(5) {
  ["image"]=>
  string(67) "/original/wm/doosan/6000/950106-01083EF/fig_950106-01083EF_1670.png"
  ["image_width"]=>
  int(4018)
  ["image_height"]=>
  int(5219)
  ["itemno"]=>
  string(2) "12"
  ["coords"]=>
  array(2) {
    ["x"]=>
    int(2928)
    ["y"]=>
    int(-213)
  }
}

В продаже ТРОЙНИК от производителя (артикул: 310101-00035) по отличной цене! Товар весит: 6 г. Доставка морем и ЖД. Мы занимаемся поставкой с 2001 года. У нас огромный склад (более 1500 м2), и прямые контакты с поставщиками. Чтобы увидеть цену на деталь, сделайте запрос.

DOOSAN: dl200, dl200-3, dl200-5, dl200a, DL200A-SPECIAL EDITION, DL200TC, dl200tc-3, dl200tc-5, dl220, dl220-3, dl220-5, dl220-wayne, dl250, dl250-3, dl250-5, dl250a, DL250TC, dl250tc-3, dl250tc-5, dl300, dl300-3, DL300-5, DL300-5(S/N:20001~), dl300a, dl350, dl350-3, dl350-5, DL350-5(S/N:20001~), dl420, dl420-3, DL420-5, DL420-5 CVT, dl420a, dl450, dl450-3, dl450-5, dl500, DL550-5, DX140LC, DX140LC-3, DX140LC-3 / DX160LC-3, DX140LC-5 / DX160LC-5, dx140lcr, dx140lcr-3, dx140lcr-5, DX140W / DX160W TIER-II, DX140W / DX160W TIER-III, DX140W-3 / DX160W-3, DX140W-5 / DX160W-5, DX160LC-3, DX160W RAIL WAY, dx165w-5, dx170w, dx170w-5, dx180lc, DX180LC-3, dx180lc-5, dx190w, dx190w-3, dx190w-5, DX190WA(T-2), DX200A, dx210w, dx210w-5, DX210WA(T-2), DX220A / DX225LCA, DX220AF, DX225LC (S/N 5433~), DX225LC-3, dx225lc-5, DX225LCA, dx225ll, dx225ll-5, dx225nlc, dx225nlca, DX230LC, DX235LC-5, dx235lcr, dx235lcr-5, dx255lc, DX255LC-3, dx255lc-5, dx260lca, DX300LC, DX300LC-3, DX300LC-5(S/N:1001~1057), DX300LC-5(S/N:1058~), DX300LC-5(S/N:20001~), dx300lca, dx300ll, dx300ll-5, dx340lc, DX340LC-3 / DX350LC-3, DX340LC-5 / DX350LC-5(S/N:10001~10049), DX340LC-5 / DX350LC-5(S/N:10050~), DX340LC-5 / DX350LC-5(S/N:20001~), dx340lca, dx350lc, dx

Другие: dx235nlc, dx235nlc-5

close
Авторизация
close
Регистрация

Нажимая кнопку Отправить, я даю свое согласие на обработку моих персональных данных, в соответствии с Федеральным законом от 27.07.2006 года №152-ФЗ «О персональных данных»,на условиях и для целей, определенных в Согласии на обработку персональных данных

close
Восстановление пароля
close
Обратный Звонок

Нажимая кнопку Позвоните Мне, я даю свое согласие на обработку моих персональных данных,в соответствии с Федеральным законом от 27.07.2006 года №152-ФЗ «О персональных данных», на условиях и для целей, определенных в Согласии на обработку персональных данных

close
Оставить заявку

Нажимая кнопку Отправить, я даю свое согласие на обработку моих персональных данных, в соответствии с Федеральным законом от 27.07.2006 года №152-ФЗ «О персональных данных», на условиях и для целей, определенных в Согласии на обработку персональных данных

close
Спасибо Ваш заказ
Ваш запрос успешно отправлен. Наш менеджер свяжется с Вами в самое ближайшее время.